LK4系列主令控制器适用于交流50Hz ,电压至380V及直流电压至440V的电路中, 主要用作起动重机磁力控制屏的遥远控制。主令控制器制成保护式,必须安装在能 防止雨雪侵袭的地方
1. LK4系列主令控制器适用于交流50Hz电压至380V及直流电压至220V的电路 中,为自动化电力传动装罝中的控制原件。主令控制器可直接或经过减速器与操作机构联接而主令控制器触头根据操作机构的行程或转角按一定顺序闭合或断开。 (也可借辅助电动机来驱动)。
1.1主令控制器的基本原件有凸轮装配与触头装配。凸轮装配由轴与凸轮盘组合而成。凸轮盘由两个同样的半圆块所组成,每块上开有十个孔及一条圆柄,,两孔间 隔为1良凸轮片上开有槽孔,可向固定螺检左右两各调动10°30 ?因而受凸轮所控 制的触头断开与闭合的位罝也可随之调整.由于主令控制器触头断弧能力及机械部 分抗磨性的限制,凸轮盘的回转度速度不得超过60转/分。
1.2每一凸轮盘作用一支电路,凸轮盘数相当于控制器的电路数。当主令控制器有 较多的电路数时,则是有两组凸轮装配,动触头装配与静触头装配。同是根据需 要,主令控制器的凸轮装配可以并联同转,即两组凸轮装配同时旋转。也可串联旋 转,即第一组的凸轮装配和第二组凸轮装配依次回转。
1.3按LK4系列主令控制器的外壳装置可分为
1.3.1保护式主令控制器LK4-0 LK4-1
表1
1.3.2防水式主令控制器LK4-6
1.4按LK4系列主令控制器的有否减速可分为两种
1.4.1 LK4-024 LK4-044 LK4-054是不带减速的主令控制器
1.4.2除1.4.1.所列的LK4主令控制器,其它的主令控制器均带减速器
1.4.3 LK4-148/3 LK4-148/4 LK4-168/3 LK4-168/4 LK4-188/3 LK4-188/4主令控 制器具有两组凸轮装配,经过减速器与操作机构联接?减速可以使两组凸轮装配并 联回转或串联回转。
LK4-658型主令控制器为防水式,具有一组凸轮装配,用装于主令控制器壳上的蜗轮减速器与传动轴相联接。该主令控制器的触头系列稍有不同于其它的主令控 制器,其5个电路中的2个电路可装设灭弧装晋,因此上面的静触头套以弧罩,由 灭弧线圈建立磁场产生磁吹作用而达到灭弧作用。
表1
|
型号
|
总电路数
|
每一个轴上的
凸轮盘数 |
凸轮装配
旋转方式 |
减速器传动比
|
|
LK4-024
|
2
|
2
|
-
|
-
|
|
LK4-044
|
4
|
4
|
-
|
-
|
|
LK4-054
|
6
|
6
|
-
|
-
|
|
LK4-028-1
|
2
|
2
|
-
|
1:30
|
|
LK4-028-2
|
2
|
2
|
-
|
1:5
|
|
LK4-048-1
|
4
|
4
|
-
|
1:30
|
|
LK4-048-2
|
4
|
4
|
-
|
1:5
|
|
LK4-058-1
|
6
|
6
|
-
|
1:30
|
|
LK4-058-2
|
6
|
6
|
-
|
1:5
|
|
LK4-148/3
|
8
|
4
|
串联
|
1:16:65
|
|
LK4-148/4
|
8
|
4
|
串联
|
1:1 1:20或1:36
|
|
LK4-168/3
|
16
|
8
|
串联
|
1:16:65
|
|
LK4-168/4
|
16
|
8
|
串联
|
1:1 1:20或1:36
|
|
LK4-188/3
|
24
|
12
|
串联
|
1:16:65
|
|
LK4-188/4
|
24
|
12
|
串联
|
1:1 1:20或1:36
|
表2
|
型号
|
电路数
|
减速器传动比
|
|
|
无灭弧装置
|
有灭弧装置
|
||
|
LK4-658-1
|
5
|
0
|
01:01
|
|
LK4-658-4
|
3
|
2
|
01:30
|
|
LK4 658-5
|
5
|
0
|
01:30
|
|
LK4-658-6
|
5
|
0
|
01:05
|
|
LK4-658-7
|
3
|
2
|
01:05
|
2.2主令控制器触头的负荷与极限转换能力见表3
2.3主令控制器的操作频率为1200转/小时,但一分钟内密接接通次数不得超过 60次。
2.4主令控制器按1200转/小时,交流能随20万次接通和20万次分断,直流能承受 10万次接通10万次分断。(其中接通时间0.2-0.5秒)试验后主令控制器触头仍能继续工作.
2.5主令控制器在无电流通过时,能承受100万次闭和断开,其触头及弹簧能承受 30万次闭合和断开,试验后能继续使用。
使用环境
3.1主令控制器适用于下列工作条件
3.1.1海拔高度不超过1000米
3.1.2周围空气温度不高于+ 40°C及不低于-25°C当温底低于-15°C时应使用不冻 结的润滑油.当温底低于-25°C至-40°C时.订货时应指明
3.1.3空气相对湿度不大于80%
3.1.4在无爆炸危睑的介质中,且介质中无足以腐蚀金属和破坏绝缘的气体及尘埃 (包括导电尘埃)
3.1.5无显著摇动和冲击振动的地方
型号 LK4-024 LK4-044 LK4-054
表4
|
型号
|
尺寸(毫米)
|
键槽尺寸(毫米)宽*长
|
安装孔个数-直径
|
出轴直径Φ毫米
|
|
|
L
|
A
|
||||
|
LK4-024
|
255
|
80
|
6*35
|
4-Φ14
|
Φ17
|
|
LK4-044
|
357
|
182
|
6*35
|
4-Φ14
|
Φ17
|
|
LK4-054
|
459
|
284
|
6*35
|
4-Φ14
|
Φ17
|
型号 LK4-028 LK4-048 LK4-058
表5
|
型号
|
尺寸(毫米)
|
出轴直径Φ毫米
|
键槽尺寸(毫米)宽*长
|
安装孔个数-直径
|
|
|
L
|
A
|
||||
|
LK4-028
|
281
|
80
|
Φ17
|
6*36
|
4-Φ14
|
|
LK4-048
|
383
|
182
|
Φ17
|
6*36
|
4-Φ14
|
|
LK4-058
|
485
|
284
|
Φ17
|
6*36
|
4-Φ14
|
型号 LK4-148 LK4-168 LK4-168
表6
|
型号
|
出轴直径Φ毫米
|
键槽尺寸(毫米米)宽x长
|
安装孔个数-直径
|
A毫米
|
B毫米
|
C毫米
|
D毫米
|
|
LK4-148
|
18
|
6x35
|
4-Φ17
|
280
|
555
|
105
|
117.5
|
|
LK4-168
|
18
|
6x35
|
4-Φ17
|
280
|
837
|
343
|
139.5
|
|
LK4-188
|
18
|
6x35
|
4-Φ17
|
280
|
1042
|
520
|
137.5
|
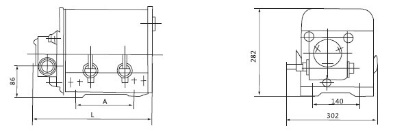
型号 LK4-658-1 LK4-658-4 LK4-658-5 LK4-658-6L K4-658-7
表6
|
型号
|
出轴直径Φ毫米
|
键槽尺寸
|
备注
|
|
LK4-658各型
|
Φ17
|
6*25(毫米)
|
|

