欢迎光临~上海人民电气有限公司

电磁铁

  • JCZ制动器
JCZ制动器

JCZ制动器

一、电磁铁装置形式概述
JCZ系列制动器用于MZS1系列制动电磁铁作操作元件,广泛用于起吊、行车卷扬机等机械运行的设备上作机械制动用。

二、型号及其含义


电磁铁装置形式概述

电磁铁装置形式,电磁铁吸力(牛顿),制动轮直径,制动器,长行程,交流
三、结构及动作简介
1.JCZ系列交流制动器,是通过摩擦时,使回转机构停止运动的一种机械制动装置,此种制动力矩产生是由电磁忒操纵制动来实现,制动力矩的大小可用弹簧进行调节。
2.制动器主要由底座、支柱、闸瓦、调整杆、弹簧组成、闸瓦与支柱、支柱与底座都是轴销连接,可在一定范围倾斜或转动,主弹簧安装在支柱的上部。
3.电磁铁安装在调整杆的一端,当其通电动作时,带动调整杆使主弹簧压缩,这时两片闸瓦即张开,回转机构可以正常运行。当电磁铁通电时带动调整杆向反方向移动.这时主弹簧之弹性压力将闸瓦紧压向回转的制动轮上,而使机构停止运动。
4.制动闸瓦工作表面采用石棉刹车材料制成。
5.本制动器出厂不包括电磁铁部分,用户选用时需按型号另行定购。

制动器型号

制动轮直径 (mm)

制动力矩 (kg-m)

制动瓦退矩 (mm)

电磁铁

型号

吸力(包括衔
铁重量N)

衔铁
重量(kg)

衔铁额定
行程(mm)

重量(kg)

制动器
重量(kg)

JCX-200/15

200

20

0.7

MZS1-15

20

4.5

50

22

51

JCX-300/15

300

32

0.7

MZS1-15

20

0.7

50

22

82.6

JCX-300/25H

300

63

0.7

MZS1-25H

35

0.7

50

45

105.7

JCX-400/45HA

400

160

0.8

MZS1-45HA

56.5

0.8

50

55

173.5

JCX-500/45H

500

210

0.8

MZS1-45H

56.5

0.8

50

55

219.3

JCX-500/80H

500

250

0.8

MZS1-80H

115

0.8

50

183

356

JCX-600/100H

600

500

0.8

MZS1.100

140

0.8

50

213

529.4

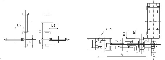
五、产品尺寸及附图


型号

尺寸(mm)

 

D

H

A

b

d

6

L

L1

L2

B

B1

B2

B3

B4

JCZ200/15

200

170

350

60

17

8

540

390

280

100

90

126

110

250

JCZ300/15

300

240

500

80

22

10

680

550

400

130

140

165

110

250

JCZ300/15H

300

240

500

80

22

10

680

650

400

130

140

165

110

250

JCZ400/45HA

400

320

650

130

22

12

857

700

530

180

180

210

200

390

JCZ500/45H

500

400

760

150

22

16

9g2

810

640

200

200

250

200

390

JCZ500/80

500

400

760

150

22

16

1007

810

640

200

200

250

200

390

JCZ600/100

600

475

950

170

26

18

1218

1000

780

220

240

305

220

520

型号

尺寸(mm)

 

B5

B6

B7

B8

L1

L2

L3

L4

L5

L6

h

h1

h2

h3

JCZ200/15

285

190

570

150

135

145

200

50

270

100

 

438

468

180

JCZ300/15

280

190

570

150

190

210

280

53

330

150

 

593

468

180

JCZ300/15H

320

212

592

150

190

210

280

53

330

150

可变

593

512

180

JCZ400/45HA

415

212

827

204

245

200

340

54

400

160

 

750

710

305

JCZ500/45H

415

212

827

204

320

335

420

58

485

180

 

913

710

305

JCZ500/80

525

345

960

234

320

335

420

58

485

180

 

913

899

370

JCZ600/100

525

345

1110

230

380

410

520

80

600

250

 

1115

1032

415

上一个: RTO熔断器 下一个: MQ1牵引电磁铁